Контактная информация
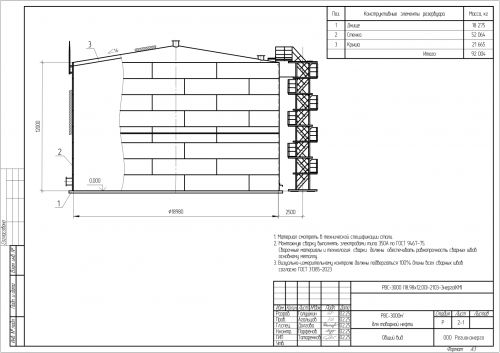
Вертикальные резервуары РВС
Промышленные емкости и резервуары от производителя ООО «Регионэнерго»
ООО «Регионэнерго» специализируется на полном цикле производства стального резервуарного и емкостного оборудования.
Резервуары вертикальные стальные (РВС) — надежные емкости для хранения жидкостей любого назначения. Мы создаем современные металлические хранилища для нефтепродуктов, воды, пищевых продуктов и химических реагентов. Наше ключевое преимущество — проектирование и изготовление резервуарных емкостей по техническому заданию заказчика, с учетом всех особенностей хранимой среды. Собственное конструкторское бюро, лаборатория неразрушающего контроля и цех 1200 м² позволяют нам гарантировать высочайшее качество и точное соответствие вашим требованиям.
Вертикальные резервуары РВС для любых задач и отраслей
Вертикальные цилиндрические резервуары РВС — это универсальное и экономичное решение для безопасного хранения больших объемов жидкостей на малой площади. ООО «Регионэнерго» производит резервуары для ключевых отраслей промышленности: нефтегазовой, химической, логистической, энергетической, пищевой и сельскохозяйственной.
Ключевые сферы применения наших РВС:
-
Нефть и нефтепродукты: хранение нефти, бензина, дизельного топлива, мазута, битума, ГСМ.
-
Вода: создание пожарного и питьевого запаса, хранение технической воды.
-
Химия: безопасное размещение реагентов, удобрений и других агрессивных сред.
-
Пищевая промышленность: резервуары для растительных масел, патоки, спиртов, виноматериалов.
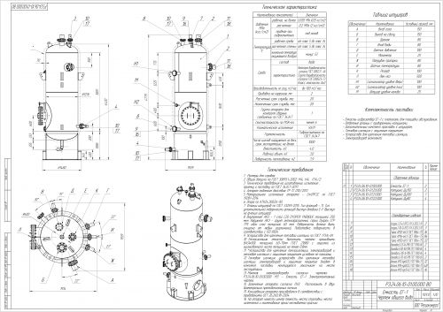
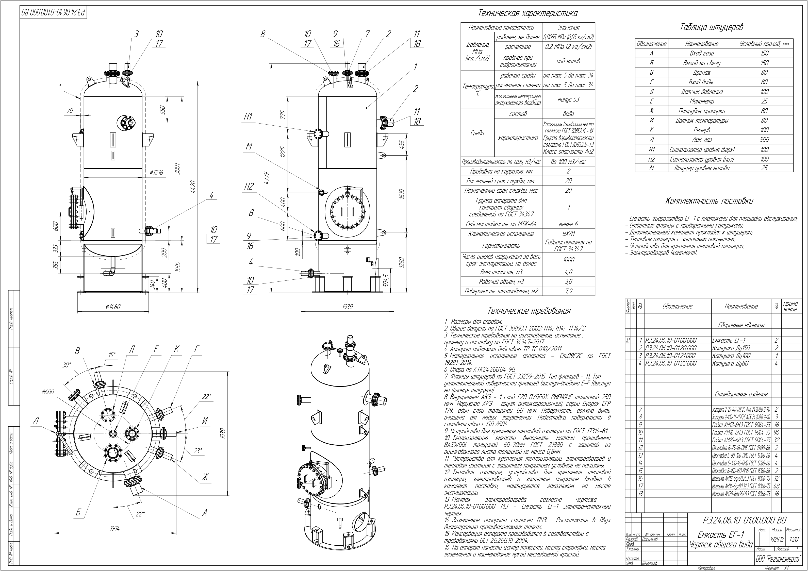
Промышленные емкости для жидкостей:
Промышленные емкости — это специализированные резервуары, предназначенные для приема, хранения, переработки и транспортировки различных жидких сред. Они изготавливаются из материалов, устойчивых к воздействию содержимого и внешних факторов, и являются ключевым элементом технологических процессов во многих отраслях. Основная задача любой емкости — обеспечить сохранность продукта, его количество и качество, а также безопасность окружающей среды.
Вертикальные стальные резервуары (РВС):
-
Назначение: Для хранения больших объемов жидкостей (от 100 до 50 000 м³ и более) при атмосферном давлении.
-
Задачи: Создание резервуарных парков нефтебаз, хранение воды, нефти и нефтепродуктов, химических реагентов, пищевых продуктов.
Выбор типа и материала емкости зависит от множества факторов:
-
Свойства продукта: Агрессивность, летучесть, вязкость, температура, плотность.
-
Требуемый объем: От нескольких литров до десятков тысяч кубометров.
-
Условия эксплуатации: Температура окружающей среды, сейсмичность, требования взрывобезопасности.
-
Отрасль применения: Нефтегазовая, химическая, пищевая, водоочистная, сельскохозяйственная отрасли диктуют свои стандарты и нормы.
Таким образом, современные промышленные емкости — это не просто «бочки» для жидкости, а сложные инженерные сооружения, от надежности которых зависит бесперебойность работы всего предприятия и экологическая безопасность.
Типы и конструкции вертикальных резервуаров
Мы предлагаем полный спектр конструктивных решений и различные типы вертикальных емкостей, чтобы выбрать идеальный резервуар для ваших технологических процессов.
По типу крыши:
-
РВС со стационарной крышей (конической, сферической, щитовой) — для продуктов с низкой испаряемостью.
-
РВС с понтоном — оптимальное решение для минимизации потерь легковоспламеняющихся жидкостей за счет испарения.
-
РВС с плавающей крышей — передовая технология для практически полного исключения испарения и повышения экологической безопасности.
По уровню защиты:
-
Одностенные РВС — стандартное исполнение для большинства задач.
-
Двустенные РВС («стакан в стакане») — максимальная защита от протечек для хранения опасных веществ в зонах с повышенными экологическими требованиями.
Все виды резервуарного оборудования комплектуются необходимыми элементами: лестницами, площадками с ограждением, технологическими люками и патрубками.
Ключевые преимущества заказа РВС на заводе «Регионэнерго»
Выбирая сотрудничество с нами, вы получаете не просто металлоконструкцию, а комплексное решение от опытного производителя.
-
Проектирование по вашему ТЗ: Наше собственное конструкторское бюро разработает проект резервуара, который идеально соответствует вашим техническим условиям, объему хранимой среды и климатическим особенностям региона.
-
Полный контроль качества: Собственная лаборатория неразрушающего контроля гарантирует, что каждый сварной шов и каждый элемент конструкции соответствуют самым строгим стандартам ГОСТ и требованиям безопасности.
-
Современное производство: Работаем на собственной производственной площадке площадью 1200 м², оснащенной современным оборудованием. Это позволяет применять эффективные методы изготовления (рулонирование и полистовую сборку), значительно сокращающие сроки монтажа на вашем объекте.
-
Комплексные поставки «под ключ»: Мы берем на себя весь цикл работ: от проектирования и изготовления до доставки, монтажа и сервисного обслуживания резервуаров в любом регионе России.
Заказать производство вертикальных резервуаров и промышленных емкостей для жидкостей
Нужна надежная и безопасная емкость для хранения жидкостей? ООО «Регионэнерго» готово предложить лучшее решение.
Чтобы рассчитать стоимость и сроки изготовления вертикального резервуара РВС:
-
Заполните опросный лист и отправьте его на нашу электронную почту.
-
Позвоните нашим инженерам-консультантам для получения предварительной консультации.
342 2700-559
rg159@inbox.ru
г. Пермь, ул. 1905 года, д. 35Н
Мы производим вертикальные стальные резервуары, которые работают на ваш бизнес долги годы. Доверьтесь опыту «Регионэнерго»!
![]()
































































